海康硬件工程师 海康威视2024年录用名单:杭电登顶,浙工大5人,平均薪资15万
海康威视2024年录用名单:杭电登顶,浙工大5人,平均薪资15万
网友热议
我浙工大的,这学校就算了吧。
杭电毕业生厉害
估计还要托人
正文
海康威视的人才争夺战
2024年初,浙江杭州。
海康威视公司最新一批录用名单刚刚出炉,引发了不小的关注。作为一家国企背景的上市公司,海康威视向来以高薪资和广阔发展前景吸引着众多优秀人才。这次的录用名单再次印证了这一点。
让我们一起来扒一扒这份名单背后的故事。
海康威视是谁?
说到海康威视,可能有些人还不太熟悉。这家成立于2001年的公司,主营业务是计算机、通信和电子设备制造。简单来说,就是搞高科技的。
公司总部坐落在风景如画的杭州,背靠西湖,俯瞰钱塘。在这个互联网和高新技术企业云集的城市,海康威视可谓是一匹黑马。
有意思的是,海康威视虽然是上市公司,但其实有着浓厚的国企基因。公司的大股东是浙江省投资(控股)有限公司,占股51.81%。而这家控股公司又是由浙江省国有资产管理局全资持有的。所以严格来说,海康威视算是个"国企系"的上市公司。
正是这种特殊的身份,让海康威视既有国企的稳定性,又不失上市公司的活力。这也是它能吸引众多顶尖人才的原因之一。
985高校毕业生的"香饽饽"
这次录用名单中,最引人注目的莫过于4位985高校的毕业生了。
首先是来自东南大学的两位本科生,一个学软件工程,一个学电气工程。东南大学作为"985工程"高校,在计算机和电子信息领域素有盛名。这两位毕业生的加入,无疑为海康威视注入了新鲜血液。
还有一位是西北工业大学的软件工程本科生。西工大虽然地处西安,但其航空航天、计算机等专业在全国都是顶尖水平。能从千里之外吸引到这样的人才,足见海康威视的吸引力。
这三位本科生的月薪在1.5万到1.7万元之间。在当前经济形势下,应届本科生能拿到这个水平的薪资,已经相当不错了。要知道,很多一线城市的白领辛辛苦苦工作几年,工资也就这个数。
不过,最让人羡慕的还是那位浙江大学电气工程硕士。作为中国大学排名第三的高校,浙大的含金量自不必说。尤其是电气工程专业,更是浙大的王牌中的王牌,在业内有"电气四龙"之称。
这位浙大硕士在海康威视担任硬件开发工程师,月薪高达2.3万元。这个数字不仅是本批录用人员中最高的,放在整个杭州的就业市场,也是相当可观的了。
有人可能会说,浙大电气工程的硕士,去个小小的海康威视是不是大材小用了?其实不然。虽然海康威视在规模上可能比不上国家电网这样的巨无霸,但在技术创新和发展前景上,未必就逊色多少。而且相比大型国企,海康威视这样的科技公司往往能给年轻人提供更多施展才华的机会。
双非院校的崛起
除了985高校的毕业生,这份录用名单中还有不少来自"双非"院校的优秀学子。其中最引人注目的是浙江工业大学和杭州电子科技大学的毕业生。
浙江工业大学虽然不是"211工程"高校,但在浙江省内的地位仅次于浙江大学。这次共有5位浙工大毕业生入选,他们的专业集中在软件工程、通信工程、电子信息工程等领域。大部分人去往的岗位是开发工程师,平均月薪在1.7万元左右。
值得一提的是,这5位浙工大毕业生中有4位是硕士研究生。这也从侧面反映出,对于非"985/211"院校的学生来说,读研确实能在一定程度上弥补学校知名度的劣势。
杭州电子科技大学的表现更是让人刮目相看。共有9位杭电毕业生入选,其中一位电子信息硕士的月薪达到了2.1万元,几乎追平了那位浙大硕士。
这个结果着实让人惊讶。要知道,杭电和浙大在整体实力上还是有不小差距的。能拿到如此高的薪资,一方面说明这位杭电毕业生个人能力出众,另一方面也反映出海康威视的用人理念更注重实际能力而非单纯的学历。
当然,其他杭电毕业生的薪资水平相对较低,大多集中在1.3万元左右。这也符合常理,毕竟顶尖人才总是少数。
另外,浙江工商大学的6位毕业生也进入了录用名单。不过他们从事的岗位主要是财务、人力资源等非技术类工作,薪资水平相对较低,在7000元到1.1万元之间。这也反映出在科技公司,技术岗位和非技术岗位之间存在着较大的薪资差距。
深度分析:海康威视的人才策略
通过这份录用名单,我们可以窥见海康威视的人才策略。
首先,公司非常重视高端技术人才。从4位985高校毕业生的录用情况来看,海康威视愿意为顶尖人才开出高薪。这体现了公司对核心竞争力的重视。
其次,海康威视的用人标准并不局限于名校。浙江工业大学、杭州电子科技大学等双非院校的毕业生同样有机会获得高薪。这种不拘一格的用人方式,有利于公司发掘更多潜在的优秀人才。
第三,公司在薪资方面采取了较为灵活的策略。同一学校、同一专业的毕业生,薪资也可能存在较大差异。这说明海康威视更看重个人能力,而非简单地按学历定薪。
第四,海康威视似乎更倾向于招聘本地院校的毕业生。除了少数985高校的学生,大部分录用的都是浙江本地高校的毕业生。这可能是出于降低用人成本和提高员工稳定性的考虑。
从录用岗位来看,海康威视目前最缺的还是各类开发工程师。这也符合公司作为高科技企业的定位。
海康威视为什么这么"香"?
看到这份薪资水平颇高的录用名单,很多人可能会问:海康威视凭什么能开出这么高的薪资?它的竞争力到底在哪里?
首先,海康威视的业绩确实很亮眼。根据公司2023年三季报,前三季度营收达到523.43亿元,同比增长5.21%;净利润79.95亿元,同比增长7.60%。在当前经济形势下,能保持增长已经很不容易了。
其次,海康威视在行业内的地位举足轻重。公司是全球最大的安防设备制造商,在视频监控、物联网等领域都有很强的竞争力。这种行业龙头地位,为公司提供了源源不断的利润。
再者,海康威视一直在积极布局新兴技术领域。除了传统的安防业务,公司还在人工智能、大数据、智慧城市等方向发力。这些新业务虽然目前占比不高,但增长迅速,被视为公司未来的增长点。
别忘了海康威视还是个"国企系"的公司。这意味着它在获取优质项目、融资等方面可能比一般民企更有优势。同时,国企背景也给了员工更多的安全感。
正是这些因素的叠加,让海康威视在人才市场上具备了很强的吸引力。高薪资只是这种吸引力的一种体现。对于年轻人来说,海康威视能提供的不仅是优厚的待遇,更是一个能充分施展才华、快速成长的平台。
新人如何在海康威视立足?
对于即将加入海康威视的新人来说,薪资固然重要,但如何在公司站稳脚跟、实现职业发展可能更为关键。基于对公司的了解,这里有几点建议可供参考:
1. 深耕技术,保持学习
海康威视是一家高科技公司,技术创新是其立身之本。无论你是搞硬件还是软件,都要保持持续学习的劲头。公司可能会提供各种培训机会,一定要好好把握。
2. 培养综合能力
除了专业技能,还要注意培养项目管理、沟通协作等软实力。在海康威视这样的大公司,单打独斗是难以成事的。
3. 理解公司战略
要经常关注公司的发展动向和战略重点。比如最近几年,海康威视在AI、物联网等领域动作频频,懂得主动往这些方向靠拢的员工,往往更容易得到重用。
4. 建立人际网络
虽说海康威视更注重能力,但良好的人际关系依然很重要。要学会与同事、上级建立良好的工作关系。
5. 保持创新意识
海康威视一直在寻求转型和创新。如果你能在工作中提出创新的想法或解决方案,无疑会为自己加分不少。
6. 适应企业文化
作为一家"国企系"的科技公司,海康威视的企业文化可能会有些特殊。新人要学会在保持创新活力的同时,也要理解和适应公司的管理体系。
结语
海康威视的这份录用名单,折射出了当前就业市场的诸多特点:名校光环依旧闪耀,但双非院校的学生同样有出头之日;技术岗位的薪资优势明显;企业更看重实际能力而非单纯的学历......
对于求职者来说,这无疑提供了很好的参考。与其盲目追求名校光环,不如脚踏实地提升自己的实际能力。对于高校来说,则是一个改进教学、提高学生就业竞争力的信号。
当然,我们也要看到,像海康威视这样能开出高薪的企业毕竟是少数。在当前的经济形势下,找到一份稳定且有发展前景的工作,已经是很多毕业生的首要目标了。
无论如何,海康威视的这份录用名单,为我们展示了科技企业人才争夺战的一个缩影。在这场没有硝烟的战争中,谁能吸引到最优秀的人才,谁就能在未来的竞争中占据先机。
你对这份录用名单有什么看法?欢迎在评论区留言,分享你的观点!
对此你有什么看法,欢迎在下方评论区留言,记得点赞关注,咱们下次见。
本文仅供参考,不构成任何建议或指导,如有侵权请联系我们进行删除。
秋招“笔试经”第二弹:海康威视硬件岗
由于今天海康威视宣讲会,临时加急分享。
拿到这套试题的时候很是忐忑,以前都是自己做题错了也是自己的事,现在要做完把经验分享给大家,为大家负责,这还是头一遭。先来说一下做完的体会,本套题目比较基础(当然不排除本人技术渣渣,写错了还不知道),考察了电路、模电、数电的一些基础知识,以及计算机基础的相关知识,整体难度不大,考察的知识面比较广
对于笔试备战的建议: 着重看课本,电路、数电、模电三部分好好看一看基本上能拿下大部分题目,除此之外可以再多了解一些关于单片机原理与接口技术的知识,各种常见的总线协议等。
最后,希望我的分享能为大家的求职提供帮助,如果发现有任何错误,也可以联系我,我会第一时间更正的,也欢迎大家和我讨论。
HIKVISON笔试时间60分钟,总分100分。
题目结构:
单选题15道,每道3分,共45分;
多选题5道,每道5分,共25分;
问答题3道,每道10分,共30分。
下面我们整理了今年最新的笔试题,由于种种原因漏掉了个别题目,最后整理的单选题为13道,共39分;多选题3道,共15分;问答题3道,共30分。总分84分。
一、单选题
1、 用BJT构成放大器主要用三极管的( C )作用。
A 电流控制电压
B 电压控制电流
C 电流控制电流
D 电压控制电流
解析:考察三极管放大的原理, BJT是电流控制电流的器件
2、 假设某模拟信号带宽为1KHz-1MHz,则对其无失真采样的最低频率为( D )。
A 1KHz
B 4MHz
C 1MHz
D 2MHz
解析:考察香农采样定理
为了不失真地恢复模拟信号,采样频率应该不小于模拟信号频谱中最高频率的2倍,如果采用频率低于最高频率的2倍,将会出现混叠现象。
扩展:方波信号的采集:需要注意的是方波是多次谐波的组合,不是单一的频率
3、 电路调试时,发现某共射放大电路出现饱和失真,则为了消除失真,可以( D )。
A RB减小
B VCC减小
C RC减小
D RB增加
解析:考察共射放大电路的失真
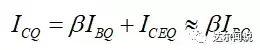
这道题我觉得CD都对,分析如下:本题主要考察对于BJT放大电路中静态工作点的理解以及静态工作点如何来影响动态工作的,我借用模电书上的图来说明,首先是基本的共射极放大电路
可以看到Vs是一个信号源,Vbb是一个直流电源,我们常说的静态工作点Q点就是电路在不加信号源时(或者说忽略信号源时)的工作状态,如下图就是基本共射极放大电路的直流通路。
由于忽略了信号源,所以计算的结果并不是真实的值,我们把所有的结果尾缀都加上Q,如基极的输入电流IB写作IBQ。
计算一下输入回路:
输出电流受输入电流影响,可得:
输出回路有:
结合三极管的特性,比如输入回路中VBE与IB的关系,与我们刚刚计算的输入回路关系,可以获得下图a,两条线的交点即为输入静态工作点。
输出回路IC除了与V CE 有关外还与输入电流IB有关,这里首先找到输出回路关系中IB=IBQ的线,再根据刚才计算的输出回路关系式,便可以找到静态工作点Q。
而交流信号会在静态工作点左右变化,如图a为输入信号的动态变化,图b为输出信号的动态变化:
当信号出现饱和失真时,输出如下图所示,主要是由于静态工作点选择太高。
所以我们有几种方法,我们可以改变IB,选择不同的输出曲线,比如红色的这条。
除此之外,我们可以考虑改变斜线,斜线与横轴的交点是Vcc,与纵轴的交点是 Vcc/Rc。
通过减小Rc或者增大VCC可以实现Q点在直线上向右侧移动的效果,防止饱和失真。
除此之外,如果我们尝试改变IC也是可以的,比如使IC的最大输出变小,根据以上分析中IC与IB的关系,可以通过替换BJT,使用值更小的器件,也可以解决目前电路出现的饱和失真问题,左侧是四个电阻来形成。
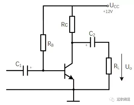
4、 下路电路中,测试发现UCE= UCC,则三极管工作于( D)。
A 放大状态
B 饱和状态
C 短路状态
D 截止状态
解析:考察静态工作点稳定电路
借用上题中对输出环路的分析,如果VCE等于输入电压,则电路工作在与横轴交差的位置,也就是截止状态。
或者可以判断RC上没有压降,则RC上没有电流,所以截止
5、 假设下面电路的三极管满足饱和及截止条件,下面电路的表达式为( C )。
A F = A+B
B F = (AB)—
C F = (A+B) —
D F= AB
解析:考察三极管在数字电路中的应用 ,
三极管工作在饱和和截止区,可以认为是开关
A为高时,T1开启,F为低电平,
B为高时,T2开启,F为低电平,
A、B同时为低时,T1和T2关闭,F为高电平,
这是一个或非门的逻辑,真值表如下:
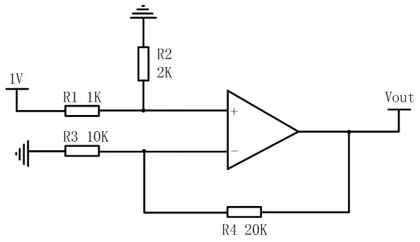
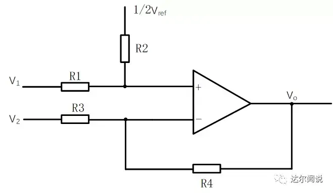
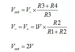
6、 如图所示的运算放大器电路,其输出的表达式为 ( B )。
A Vo = k(V1+V2+1/2Vref)
B Vo = k(V1-V2)+1/2Vref
C Vo = k(V1+V2)+1/2Vref
D Vo = k(V2 -V1)+1/2Vref
解析:考察运算放大电路的计算
运放电路,R4为反馈回路,若电路稳定,则满足虚短。
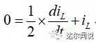
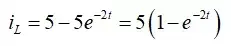
7、 图示电路的开关闭合后,电感电流i(t)等于( B )。
A 5e-2t A
B 5(1-e-2t) A
C 5(1-e-0.5t) A
D 5e-0.5t A
解析:考察一阶电路的零状态响应
首先是开关闭合前,
开关闭合后,
开关闭合后有:
这是一个一阶非齐次微分方程
首先设它的通解为
带入对应的齐次微分方程中
可得 p=-2
当该电路稳定后,由于电感的内阻为0,所以流经电感的电流为5A
即微分方程的一个特解为
则
又因为
则
当然除了按部就班的推理,本题也可以通过带入0时刻和稳定时电感的电流,将答案缩小到B、C之间,B、C的区别在于R在t的分子还是分母上,由于R的分流,阻碍了电流的增长速度,R越小分流效果越明显,阻碍越强,所以R应该在分子上。当R为无限大的时候,电流变化速度应该最快
8、 把固定的直流电压变成可调的直流电压的是( C )。
A 交流调节器
B 逆变器
C 斩波器
D 整流桥
解析:考察对模拟器件的了解
斩波器 chopper 有直流斩波器和交流斩波器,分别实现直流转直流,交流转交流交流调节器,都交流了直接忽略。
逆变器,直流转交流。
整流桥,交流转直流。
9、 为了避免信号干扰,CMOS与门的多余输入端不能 ( A )处理。
A 接地
B 悬空
C 与有用输入端并联
D 其他都不正确
解析:考察CMOS电路在数字电路中的应用
与门逻辑,若多余输入端接地(逻辑0),则输出为0。这样的操作该与门将无法达到之前设计的功能。
10、 下列表达式不存在竞争冒险的有( D )。
A Y = ABC’+AB’
B Y = AB+ B’C
C Y = (A+B)*(B’+C)
D Y = (A+B’)AD’
解析:考察数字电路中的竞争冒险问题
在输入变量每次只有一个改变状态的简单情况下,可以通过逻辑函数式判断组合逻辑是否存在竞争冒险现象。如果输出端电路的两个输入信号A和A’是输入变量A经过两个不同的传输途经而来的,那么的那个输入变量A的状态发生突变时输出端便有可能产生尖峰脉冲。因此,只要输出端的逻辑函数在一定条件下化简成Y = A+ A’或Y = A* A’则可判定存在竞争冒险现象。
A选项当A = 1,C = 0时,Y = B+ B’,所以会存在竞争冒险问题
B选项当A = C = 1时,Y = B+ B’,所以会存在竞争冒险问题
C选项当A = C = 1时,Y = B+ B’,所以会存在竞争冒险问题
D选项化简为Y = AD’,所以不会产生竞争冒险问题
11、 在设计一个采样电路时,需要采样得到的最小信号是100uV,若使用5V基准ADC,则分辨率至少为( D )。
A 20bit
B 18bit
C 14bit
D 16bit
解析:考察ADC的相关计算
这道题我们认为最小信号为100uV直流信号,也就是100uV的采样结果应该不能为0V,那么也就是最小电压应该小于100uV,分辨率为5V/(2^分辨率-1),16bit就够了。
12、 某RAM芯片的容量为1024*8bit,请问,该芯片共有( D )根地址线引脚。
A 12
B 8
C 14
D 10
解析:考察RAM中的地址线计算
2^10=1024,10根地址线可以设置1024个地址,所以说如果要寻址1024个地址,至少需要10位地址线
13、 在电容和电感串联的正弦波交流电路中,若电压表测量电容端电压为40V,电感端电压为30V,则总电压是( A )。
A 10V
B 50V
C 20V
D 70V
解析:考察电容、电感在交流电路中的特性
流过电容的电流信号比电压信号快1/4周期
流过电感的电流信号比电压信号慢1/4周期
两者串联,则流经两者的电流相同,则电压相差1/2周期(180),总电压应该为两者相减。
二、多选题
1、 构成微机的主要部件除了系统总线、IO接口外设,还有( AD )。
A 内存
B 键盘
C CRT
D CPU
解析:考察计算机体系结构
冯洛伊曼结构计算机,即存储程序计算机,主要部件包括:CPU、内存、系统总线、IO接口外设。键盘、CRT可以存在,但不是主要部件。
2、 对于三极管的作用,下面说法错误的是( ACD )。
A 三极管可以把小电流放大成大电流
B 三极管可以把较小的电流控制较大的电流
C 三极管可以把较小的电压控制较大的电压
D 三极管可以把小电压放大成大电压
解析:考察三极管的基础知识
3、 I2C总线通信的传输速率可以配置成多少速率( ABCD )。
A 400Kbit/s
B 3.4Mbit/s
C 1Mbit/s
D 100Kbit/s
解析:考察对基本总线的了解
三种I2C速度:
标准I2C的速度可达100kbit/s
快速模式(fast mode)I2C速度可以到400Kbit/s
高速模式(High speed mode)速度可以到3.4Mbit/s
在超高速模式下(Ultra fast mode)单向数据传输速度可以到5Mbit/s
三、问答题
1、 根据以下电路求出Vout,并写出计算过程。
解析:考察运算放大电路的计算
2、 如图所示电路中D为理想元件,已知ui = 5sinωtV,试对应uo的波形图。
解析:考察理想二极管的特性对电路的影响
题目中写明了D为理想元件,则无需考虑二极管的正向压降问题,在ui信号加入之前,D2处于导通状态,则D2的上端,也就是R的下端为0V。
当ui为正半周期时,D1导通,可以认为ui与uo直连,由于D2上端大于0V,D2截止。在不考虑驱动能力和输入阻抗的情况下uo的波形应该和ui相同。
当ui为负半周期时,D1截止,此时D2保持开启状态,uo的输出为0V。
3、 什么是轮询?什么是中断?各有什么特点?
解析:考察对基本名词的理解
本题比较开放,大家可以根据自己的理解写一写,下部分抛砖引玉
轮询是由处理器定时发出询问,依次询问每个外部设备是否需要服务,有服务的话进行服务,服务结束后继续下一个设备
中断是处理器接收到来自硬件或者软件的信号,提示某个事件的发生,处理器在接收到中断信号后进行相应的操作
轮询需要消耗依次询问的系统资源,在外部设备无需服务时仍然运行
同时轮询的实时性不高,外部设备不能实时的将变化反馈给处理器,需要等待处理器询问
中断有更高的实时性,不需要询问无需服务的设备,执行效率更高,但是同时多个中断同时到达可能会出现程序的异常的情况,
总结: 本套题目主要考察了硬件的知识,考察的内容也比较多,其中考察的内容以模拟电路的相关知识为主,数字电路的内容涉及较少。模拟电路中对三极管构成的放大电路和基本运算放大电路的分析计算考察较多,希望同学们能够有针对性的复习相关内容。题目中也涉及到了一些不常见的内容,在看书的时候一定要多注意,对于这类知识点一定要在平时多积累。
针对硬件的笔试内容,大家看本科时学习过的数模书复习是完全可以,几乎都能够覆盖到上面所有的知识点。
(转自达尔闻说)
相关问答
海康硬件质量工程师..._质量工程师_帮考网
海康威视硬件质量工程师是负责确保公司产品的质量和可靠性的专业人员。他们负责设计、开发和实施测试计划,以确保产品符合公司的质量标准和客户的需...
笔记本与海康网络摄像机肿么连不上-ZOL问答
联系海康售后,让他们处理。如果是硬件问题,比如网线接口损坏或者摄像头本身故障,那就得考虑找专业人士检查维修了。别忘了查看设备说明书里的连接步骤和常见问...
海康网络监控服务器与硬盘录像机,解码器,显示屏怎么连接-ZOL问答
首先找到海康监控设备上的视频源输出(如VGA、HDMI),将其分别连接到解码器和显示器。然后在服务器管理界面中添加这些硬件设备,并配置相应的通道映射和存储策略...
海康威视硬盘录像机不能自动录像问题?
3、DVR的故障,你可以先恢复出厂设置后再进行录像设置,说不定有些因软件引起的问题会好。4、如果经以上处理还是没有解决,那可能是DVR硬件问题,还是找厂家售...
海康录像机32路怎么选?
如果需要32路录像机,需要根据需求和实际应用场景来选择,考虑要求的分辨率、存储容量、网络带宽、视频监控软件等方面,建议选择具备高性能硬件的品牌型号,如海...
中国十大硬件生产商?
华为,美的,小米,格力,海康威视华为,美的,小米,格力,海康威视
海康智能多媒体服务器开不开机了,求教大神?
1、电源问题,如果打开电源,按下开机按钮后,电脑无任何动静。此时电源应向主板和各硬件供电,无任何动静说明是供电部分出了问题。2、主板问题,如果上述两个...
海康硬盘录像机个别摄像头不显示画面怎么回事?
原因:是摄像头安装后没有设置正确的IP地址造成的。海康硬盘录像机作为知名的品牌,添加别的摄像头后,除了利用网线硬件连接外面,还需要在摄像头软件上设置该...
海康录像机有几个头显示资源不足?
您好,海康录像机通常有4个、8个、16个或32个视频输入头。如果录像机显示资源不足,可能是因为录像机连接的摄像头过多,或者录像机的处理能力不足。需要检查录像...
帮个忙在座的老师跪求答案:洪山海康LED显示屏电话,海康LED...
[回答]武汉强力巨彩与时俱进,积极响应国家智慧城市的建设,以产品和工程并重,大力发展LED显示屏,智能物联技术的应用,公司拥有专业的高级工程师为客户提供...
相关文章

最新评论